


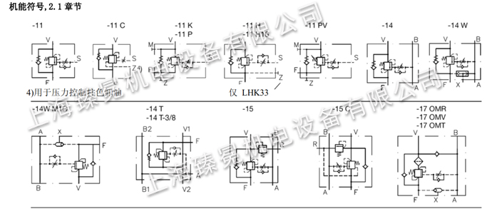
| 名稱 | 平衡閥,液控開啟,具有旁通單向閥 |
| 結構形式 | 壓力閥類(平衡閥):截止式錐球或錐閥 |
| 旁通單向閥 | 板式截止閥 |
| 安裝位置 | 任意 |
| 接口 |
F,V,V1,V2,A,B 和 R =主要接口, 依型號 M,S 和 X =控制和測量接口,依型號 所有連接油口可承受全工作壓力 |
| 流通方向 |
工作方向(平衡功能)V→F,V1→F1 或 V2→F2 自由流通 F→V,F1→V1,F2→V2 開啟比 見章節 2.1 至 2.3 表 1,2 和 3 |
|
開啟壓力為 |
0.23 x (設定壓力-負載壓力) 對于 1:4.4 0.22 x (設定壓力-負載壓力) 對于 1:4.6 0.14 x (設定壓力-負載壓力) 對于 1:7 |